| штат: | |
|---|---|
| Количество: | |
J21s
WORLD
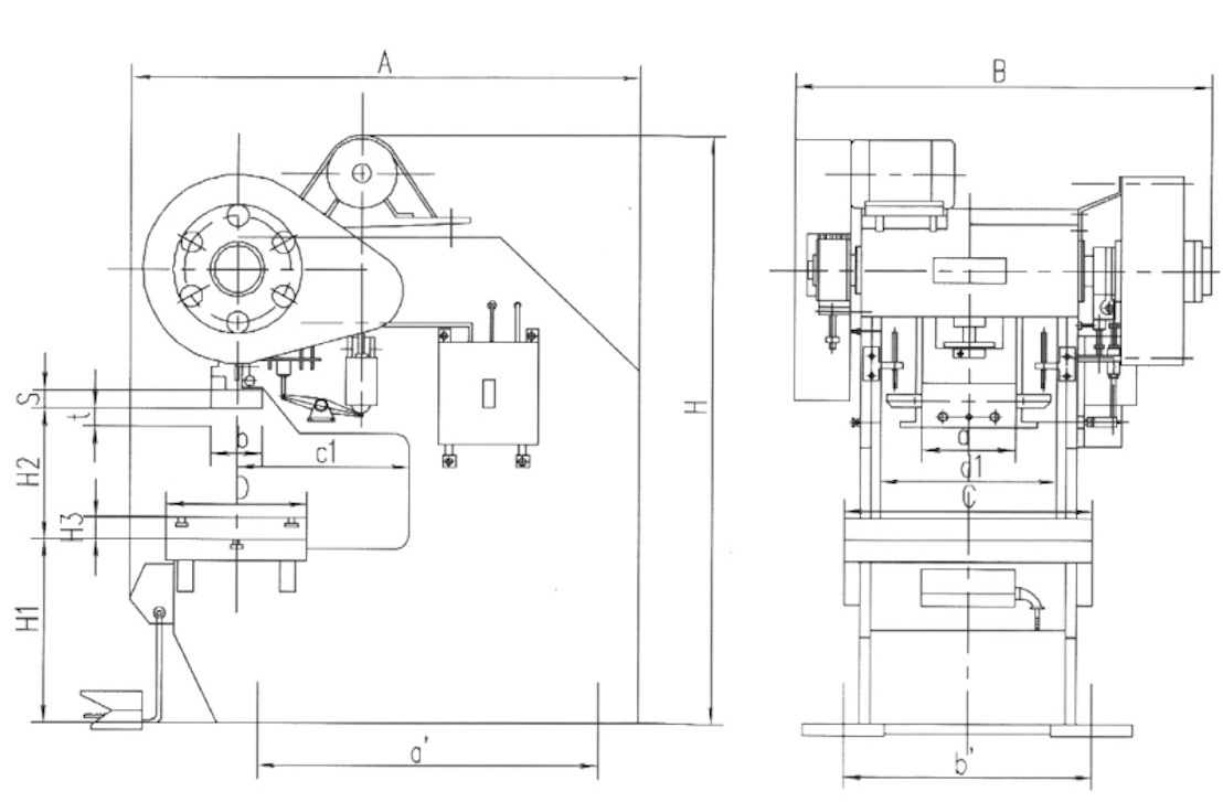
Глубина горла настраивается в зависимости от листа катушки и ширины стальной пластины. Стальная пластина сварная корпус имеет более высокую прочность и жесткость. Корпус типа Mono Block намного лучше, чем болты с фиксированным телом эккономического типа.
Глубокий удар по горлу Более безопасная и удобная работа.
| Вещь | Ед. изм | J21S-10 | J21S-16 | J21S-25 | J21S-40 | J21S-63 | J21S-80 | J21S-100 | |
| Номинальная мощность | КН | 100 | 160 | 250 | 400 | 630 | 800 | 1000 | |
| Слайд -ход длина | мм | 45 | 55 | 65 | 90 | 110 | 120 | 140 | |
| Скорость хода | раз/минута | 145 | 125 | 55 | 45 | 40 | 38 | 38 | |
| Максимум. Выключить высоту закрытия | мм | 180 | 220 | 270 | 320 | 390 | 440 | 480 | |
| Регулировка высоты отключения | мм | 35 | 45 | 55 | 65 | 80 | 90 | 100 | |
| Глубина горла | мм | 300 | 500 | 600 | 710 | 800 | 800 | 900 | |
| Колонны расстояние | мм | 208 | 278 | 330 | 470 | 590 | 600 | 720 | |
| Слайд нижний размер | L-r | мм | 170 | 200 | 250 | 300 | 400 | 430 | 540 |
| F-B | мм | 150 | 180 | 220 | 260 | 360 | 360 | 480 | |
| Размер отверстия ручки | Диаметр | мм | 30 | 40 | 40 | 50 | 50 | 60 | 60 |
| Глубина | мм | 55 | 60 | 60 | 70 | 70 | 75 | 75 | |
| Размер рабочей стола | L-r | мм | 370 | 450 | 560 | 700 | 860 | 950 | 1080 |
| F-B | мм | 240 | 300 | 370 | 460 | 570 | 650 | 710 | |
| Толщина рабочей стола | мм | 35 | 40 | 50 | 65 | 80 | 100 | 120 | |
| Диаметр отверстия стола | мм | 80 | 100 | 120 | 150 | 180 | 200 | 220 | |
| Рабочая столовая поверхность до земли расстояние | мм | 730 | 750 | 800 | 835 | 860 | 850 | 850 | |
| Габаритные размеры | F-B | мм | 835 | 1250 | 1835 | 2338 | 2748 | 2720 | 2815 |
| L-r | мм | 665 | 850 | 950 | 1335 | 1500 | 1715 | 1790 | |
| Высота | мм | 1763 | 2030 | 2215 | 2660 | 2828 | 3290 | 3625 | |
| Мощность электродвигателя | КВт | 1.1 | 1.5 | 2.2 | 5.5 | 7.5 | 7.5 | 11 | |
| Вес (приблизительный) | КГ | 950 | 1750 | 2750 | 5900 | 7600 | 9800 | 10080 | |
Глубина горла настраивается в зависимости от листа катушки и ширины стальной пластины. Стальная пластина сварная корпус имеет более высокую прочность и жесткость. Корпус типа Mono Block намного лучше, чем болты с фиксированным телом эккономического типа.
Глубокий удар по горлу Более безопасная и удобная работа.
| Вещь | Ед. изм | J21S-10 | J21S-16 | J21S-25 | J21S-40 | J21S-63 | J21S-80 | J21S-100 | |
| Номинальная мощность | КН | 100 | 160 | 250 | 400 | 630 | 800 | 1000 | |
| Слайд -ход длина | мм | 45 | 55 | 65 | 90 | 110 | 120 | 140 | |
| Скорость хода | раз/минута | 145 | 125 | 55 | 45 | 40 | 38 | 38 | |
| Максимум. Выключить высоту закрытия | мм | 180 | 220 | 270 | 320 | 390 | 440 | 480 | |
| Регулировка высоты отключения | мм | 35 | 45 | 55 | 65 | 80 | 90 | 100 | |
| Глубина горла | мм | 300 | 500 | 600 | 710 | 800 | 800 | 900 | |
| Колонны расстояние | мм | 208 | 278 | 330 | 470 | 590 | 600 | 720 | |
| Слайд нижний размер | L-r | мм | 170 | 200 | 250 | 300 | 400 | 430 | 540 |
| F-B | мм | 150 | 180 | 220 | 260 | 360 | 360 | 480 | |
| Размер отверстия ручки | Диаметр | мм | 30 | 40 | 40 | 50 | 50 | 60 | 60 |
| Глубина | мм | 55 | 60 | 60 | 70 | 70 | 75 | 75 | |
| Размер рабочей стола | L-r | мм | 370 | 450 | 560 | 700 | 860 | 950 | 1080 |
| F-B | мм | 240 | 300 | 370 | 460 | 570 | 650 | 710 | |
| Толщина рабочей стола | мм | 35 | 40 | 50 | 65 | 80 | 100 | 120 | |
| Диаметр отверстия стола | мм | 80 | 100 | 120 | 150 | 180 | 200 | 220 | |
| Рабочая столовая поверхность до земли расстояние | мм | 730 | 750 | 800 | 835 | 860 | 850 | 850 | |
| Габаритные размеры | F-B | мм | 835 | 1250 | 1835 | 2338 | 2748 | 2720 | 2815 |
| L-r | мм | 665 | 850 | 950 | 1335 | 1500 | 1715 | 1790 | |
| Высота | мм | 1763 | 2030 | 2215 | 2660 | 2828 | 3290 | 3625 | |
| Мощность электродвигателя | КВт | 1.1 | 1.5 | 2.2 | 5.5 | 7.5 | 7.5 | 11 | |
| Вес (приблизительный) | КГ | 950 | 1750 | 2750 | 5900 | 7600 | 9800 | 10080 | |
0086 21 62828320
0086 13817120700
wang@worldpowerpress.com