| штат: | |
|---|---|
| Количество: | |
J21
WORLD
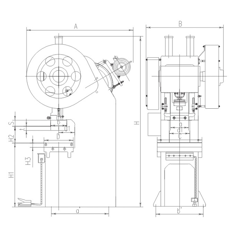
J21 Фиксированный шарнир Механический нажатие на шлюбу, литье железного корпуса или стальная пластина свареного корпуса, большая передача с маховиком, двухэтапные трансмиссии, сцепление типа клавиши, механическая тормозная полоса, педаль ног и управление двумя руками. Пневматическая муфта сухого типа является необязательным. Цилиндр баланса слайда является стандартным для эксцентричных пуншных прессов большого размера.
![]() Двухступенчатая трансмиссия эксцентричной рубки прессыТрансмиссия: моторный шлюдо-биг-сквозь контроль-рам Коническая передача более стабильная и более низкий шум Кованый коленчатый вал Бронза Конрод Буш Высококачественный шариковый винт V Тип Ram Gibs Пневматическая муфта сухого типа является необязательным |
![]() Фиксированная версия механического ручного прессаДве рабочие таблицы: одна включена в корпус прессы, другой - подвижный Размер падения отверстия настраивается Расположение в слотах настраивается Глубина горла настраивается, если со стальной пластиной сварной корпусы |
J21 Фиксированный шарнир Механический нажатие на шлюбу, литье железного корпуса или стальная пластина свареного корпуса, большая передача с маховиком, двухэтапные трансмиссии, сцепление типа клавиши, механическая тормозная полоса, педаль ног и управление двумя руками. Пневматическая муфта сухого типа является необязательным. Цилиндр баланса слайда является стандартным для эксцентричных пуншных прессов большого размера.
![]() Двухступенчатая трансмиссия эксцентричной рубки прессыТрансмиссия: моторный шлюдо-биг-сквозь контроль-рам Коническая передача более стабильная и более низкий шум Кованый коленчатый вал Бронза Конрод Буш Высококачественный шариковый винт V Тип Ram Gibs Пневматическая муфта сухого типа является необязательным |
![]() Фиксированная версия механического ручного прессаДве рабочие таблицы: одна включена в корпус прессы, другой - подвижный Размер падения отверстия настраивается Расположение в слотах настраивается Глубина горла настраивается, если со стальной пластиной сварной корпусы |
0086 21 62828320
0086 13817120700
wang@worldpowerpress.com